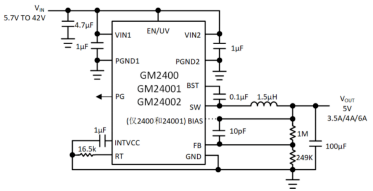
GM2400系列芯片包含GM2400,GM24001和GM24002,是一款高性能高压、低EMI同步降压稳压器,专为空间受限、高效率要求的应用设计,具备3.4V到42V宽输入范围和最大6A的连续电流输出能力,提供0.8V、1V、3.3V、5V或12V等标准电压,能在复杂的电磁环境和动态负载条件下可靠工作,在全电压范围、全温度范围、全负载情况下,开关频率可达3MHz,可替代LT8610、LT8614、LT8640、MAX20402、MAX20403。

在电源管理领域,一款性能卓越、适配性强的降压芯片,往往能成为设备稳定运行的“核心动力”。GM2400系列同步降压稳压器凭借宽电压、低EMI、高效率等诸多优势,在高压降压应用场景中崭露头角,堪称国产替代的优质之选。接下来,就让我们一起深入了解这款芯片的过人之处!
产品介绍
01 核心性能
1. 宽电压覆盖,高低压转换无压力
输入电压范围覆盖3.4V至42V,输出电压支持0.8V至VIN宽范围可调,能够直接为微处理器、FPGA/ASIC、多类传感器、通信模块和电池管理提供0.8V、1V、3.3V、5V或12V等标准电压,实现了从高电压总线到低电压负载的直接、高效转换。
2. 低 EMI 设计,复杂环境的 “定心石”
采用超低EMI架构,最大限度地降低了EMI/EMC辐射,能在复杂的电磁环境和动态负载条件下可靠工作。同时,它提供了FPWM(强制连续导通模式)和扩频调频模式,有利于通过电磁兼容性(EMC)测试,简化了产品认证的难度。

GM2400_DEMOZ CISPR25 Conducted Emission
(Voltage Method)

GM2400_DEMOZ CISPR25 Radiated Emission
(Horizontal)

GM2400_DEMOZ CISPR25 Conducted Emission
(Vertical)
EMl传导和辐射测试结果
3. 高效节能,低功耗表现出众
节能降耗是当下电子设备的重要发展方向,GM2400系列拥有4µA 的超低静态电流(输出处于全面调节状态时),在小负载电流条件下也能实现极高效率,有效减少能源浪费。在2MHz的开关频率下,转换效率可达93%,兼顾高效与高频工作需求,进一步提升能源利用率。

效率曲线,VIN = 12V
02 结构优势
采用 3mm×3mm 或 3mm×4mmQFN 封装,这种小巧的封装形式在寸土寸金的PCB 板上优势尽显。同时,还高度集成了电源开关和关键电路,不仅节省了宝贵的 PCB 面积,还降低了电路设计的复杂性和成本,提高了系统的可靠性,为空间受限的设备提供了理想的电源管理解决方案。
03 其他功能
1. 开关频率可调
为了适应不同的应用需求,GM2400支持频率可调(200kHz至3MHz),用户可根据实际需求选择:若优先追求效率,可选择较低频率;若希望缩小元器件体积(使用更小的电感和电容),则可选择较高频率,灵活适配不同设计目标。
2. 动态响应快
在设备运行过程中,负载电流难免会出现剧烈、快速的跳变,此时,芯片的动态响应能力就显得尤为重要。GM2400系列凭借快速的控制环路,能在负载电流突变时,将输出波动抑制在极小范围内,确保设备稳定运行,不出现“掉链”情况,适用于对输出稳定性要求高的场景,如通信设备、医疗仪器等。
3. 近100%占空比,低压差下 “高效率”
当输入电压与输出电压非常接近时,传统芯片的转换效率往往会大幅下降。而GM2400系列具备近100%占空比能力,此时同步开关管近乎持续导通,能将输入输出之间的压差降至最低,显著提升低压差条件下的转换效率。
4. 全方位保护
集成了功率MOSFET,将峰值转换效率提升至93%以上,减少热能损耗的同时,也提升了系统可靠性。此外,还配备了软启动功能(避免上电时的电流冲击)、过流保护(OCP)(防止电流过大损坏芯片和设备)、热关断保护(OTP)(温度过高时自动关断,避免烧毁)、输入欠压锁定(UVLO)(输入电压过低时锁定,保护电路)以及电源良好(PG)信号(实时反馈电源状态)等全方位保护功能。
5. 灵活控制
拥有丰富的灵活控制功能:通过SYNC/MODE引脚,可在低功耗模式、扩频模式、同步至外部时钟、强制连续模式之间自由选择;借助TR/SS引脚,能实现外部软起动和跟踪功能;通过EN引脚可设定准确的使能门限,且只需在RT引脚接一个电阻器,就能选择不同的开关频率。
6. 温度范围宽
结温范围覆盖-55℃至+150℃,即便在极端温度条件下也能稳定工作,适用于工业控制、汽车电子、通信设备、医疗仪器、消费电子等众多领域,为高压降压应用场景提供了优质的国产替代方案。
产品特性
宽输入电压范围:3.4V 至 42V
输出电压范围:0.8V或1V至VIN
输出电流:3.5A/4A/6A
可编程开关频率范围:200kHz 至 3MHz
在高频2MHz时效率达93%
4µA 超低静态电流的低功耗工作模式
快速最小导通时间:45ns
低EMI 和 扩频调频
在所有条件下均可提供低压差:200mV (1A 负载)
7A 峰值瞬态输出(GM2400)
可在过载情况下安全承受电感器饱 和 输出软起动和跟踪
结温:–55°C 至 150°C
符合汽车应的AEC-Q100标准 和 CISPR25 Class 5标准
产品应用
工业控制、汽车电子、通信设备、
医疗仪器、消费电子、通用降压、
微处理器、FPGA/ASIC、多类传感器电源

核心优势
宽输入输出,输入覆盖典型 5V,12V,24V,36V 应用,输出最小 0.8V 或 1V,最大可接近 VIN。最高支持 3MHz 开关频率,在空间受限场合适应能力更强。1MHz 典型工况下,效率可达 95% 以上;2MHz 典型工况下,效率可达 93% 以上。提供不同工作温度范围选项,-40℃~125℃,-40℃~150℃, -55℃~150℃,覆盖各种需求。
对标产品


订购指南

扫描下面二维码获取更多详细内容:

产品选型手册 产品规格书 样品申请