
共模半导体正式发布其最新产品:负压LDO系列,包含GM1206、GM1402、GM14021等多款产品。该负压 LDO 是专为高性能模拟和混合信号电路设计的低噪声线性稳压电源。该系列产品以其超低噪声、高精度和宽输入电压范围,成为精密测量电源系统、通信基础设施、医疗设备等领域的理想选择。
该系列产品是一款微功率、低噪声、低压差负调压器。低静态电流(30 µA 工作和3 µA 关机)使该系列产品成为精密测量电源系统的最佳选择,并且静态电流在低压差工况下得到了很好的控制。
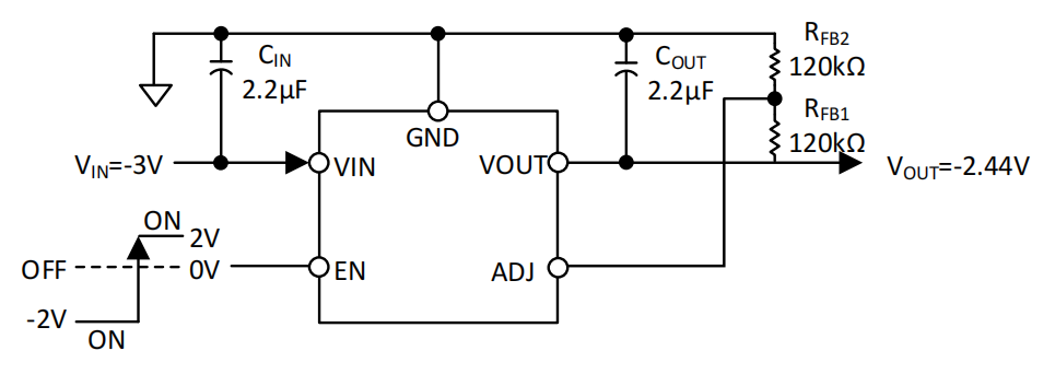
该系列产品其他特点包括低输出噪声。在 10Hz 至 100kHz 的带宽内,输出噪声降低至 10 µVRMS,因而特别适合给高性能模拟和混合信号电路供电。该系列产品能够支持小电容工作,并且在小输出电容值的情况下与其他线性稳压电源一样稳定工作。支持小型陶瓷电容器,无需额外增加 ESR。内部保护电路包括电流限制和热限制。该系列产品采用多类型封装结构,以灵活实现多种应用。


该系列产品采用了先进的低压差线性稳压器(LDO)技术,能够在宽输入电压范围内提供稳定的输出电压。其内部保护电路包括电流限制和热限制,确保设备在过载或高温环境下仍能安全运行。此外,该系列产品支持小电容工作,仅需 2.2µF 的陶瓷电容即可稳定工作,无需额外增加 ESR,进一步简化了电路设计。该系列产品具有多项突出特性,使其在同类产品中脱颖而出。超低RMS噪声,在 10Hz 至 100kHz 的带宽内,输出噪声低至 10µVRMS,使其成为为高性能模拟和混合信号电路供电的理想选择,可有效减少电路中的噪声干扰,提升信号处理的精度和稳定性。宽输入电压范围,无论是在常规供电还是特殊电压需求的场景下,都能灵活适配,适应不同电路设计。初始精度达到±1%,确保输出电压的稳定性。工作状态下静态电流仅为 30µA,关断电流低至 3µA,极大地延长了电池供电设备的续航时间,是电池供电应用的最佳选择之一。低压差电压,意味着在降压过程中能量损耗更低,电源转换效率更高。此外,该系列产品还有多重保护机制,内置限流和过温保护,可防止因功耗过大而导致器件受损,确保设备在异常情况下安全运行。GM1402 可以完美替代ADP7182, TPS7A30, LT1964等主流厂商负压 LDO,噪声和 PSRR 更是得到了进一步优化。



负压 LDO 系列产品的发布标志着共模半导体在低噪声电源领域的技术突破。其超低噪声、高精度和宽输入电压范围,使其成为高性能模拟电路设计的首选电源解决方案。无论是精密测量电源系统、通信设备还是医疗仪器,该系列产品都能提供稳定、可靠的电源支持,助力客户实现更高效、更精准的电路设计,为电子行业的发展提供强有力的支持,推动相关行业的技术进步和产品创新。