GM2500是一个小体积、高效、低 EMI、同步 6A 降压DC/DC变换器,其中LQFN-12封装的芯片体积为 2mm x 2mm x 0.74mm,是业界目前最小尺寸的5V/6A降压芯片。采用共模独有的Turbo Switch技术,GM2500可工作于高达9MHz的开关频率,使得该产品能够实现超高的功率密度,不仅能降低纹波和EMI辐射,还能减少外围元器件数量并缩小整体方案的尺寸,从而优化系统成本。

GM2500的输入电压从2.5V到5.5V,输出电压低至0.5V至VIN,能够提供高达6A的输出电流,确保了广泛的应用兼容性和灵活性。
GM2500采用独特的对称输入封装结构,有效抵消EMI磁场辐射,可以在最高9MHz开关频率下实现低EMI和高效率;采用固定开关频率,可在1MHz到9MHz范围内,编程设置开关频率;其最小开关时间仅为28ns,确保了快速的瞬态响应能力。
GM2500 在低噪声的强制连续或脉冲跳越模式下运行,或低波纹低功耗模式运行,在轻负载下高效运行,非常适合电池供电系统。
GM2500工作温度范围从-40℃至+150℃,在强制连续工作模式下,全温度范围的精度为±1%,满足严格的汽车行业标准AEC-Q100。同时具备输出过压保护、短路保护、热关机等安全特性,确保系统稳定可靠运行。
GM2500系列产品提供了两种封装,小尺寸 12 引脚 2mm x 2mm x 0.74mm LQFN 封装和13引脚 2mm x 3mm x 0.90mm LQFN 封装,可替代ADI的LTC3309、LTC3308、MPS的MP2145等多系列产品。

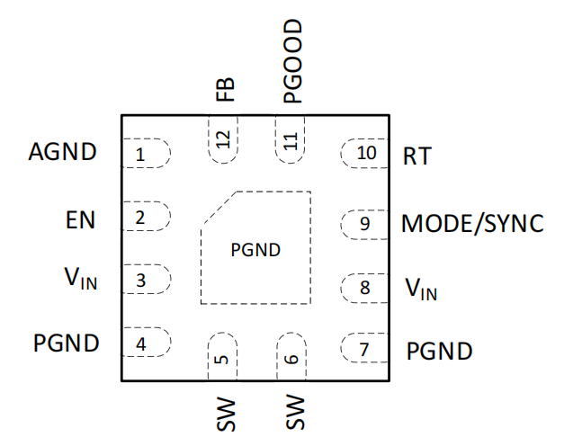
12 引脚 LQFN (2mm x 2mm)

13引脚 LQFN (2mm x 3mm)
对于具有更高功率要求的系统,支持多相并联转换器设计,大规模应用于通信及汽车电子等行业领域,能够为FPGA等核心器件供电,以满足快速增长的计算能力的需求。
产品特性
输入电压:2.5V 至 5.5V
输出电压:0.5V 至 VIN
输出电流:6A/4A
±1%全温度范围输出电压精度
8 mΩ NMOS, 31 mΩ PMOS
可编程开关频率:1MHz 至 3MHz 或 3MHz 至 9MHz
峰值电流模式控制:
28ns 最小导通时间
宽带宽、快速动态响应
精确 400mV 使能阈值
100%占空比工作模式
电源良好、内部补偿和软启动
低 EMI 封装架构
热限制
结温范围为 TJ=-40°C至 +150°C
主要应用
光通信、服务器、电信
汽车、工业、通信
分布式直流供电(POL)
FPGA、ASIC、μP 核心用品
电池供电系统

2MHz 典型应用

4MHz 典型应用
GM2500系列对标产品

GM2500系列产品订购指南
