产品特性
低噪声:3µVRMS,与固定输出电压值无关 低压差:250 mV(典型值,IOUT = 200 mA,VOUT = 3.6 V)
电源抑制比(PSRR):92 dB(10 kHz) 低静态电流,IGND = 270 μA(典型值,无负载)
输入电压范围:1.8 V 至 5.5 V 低关断电流:1.1 μA(VIN = 15V)
输出电压: 使用 2.2 μF 陶瓷输出电容保持稳定
16种固定输出电压:1.0V至5.0 V 精确使能
可调输出电压范围:1.0V 或 1.2 V 至 VIN – VDO 工作结温(TJ)范围:−55°C to +125°C
最大输出电流:300 mA 5 引脚 DFN 和 SOT-23 封装
线路、负载和温度范围内的精度:
±2.5%(TJ = −55°C 至+125°C)
产品应用
适应噪声敏感应用
ADC 和 DAC 电路
精密放大器和 VCO 控制供电
通信和基础设施
医疗成像
工业与仪器仪表
产品详情
GM1211 是一款高性能低压差(LDO)线性稳压器,采用 1.8V 至15V 电源供电,最大输出电流为 300 mA。这款高输入电 压 LDO 适用于调节 15V 至 1.2V 供电的高性能模拟和混合信号电路。该器件采用先进的专有架构,在提供高电源抑制、低噪声特 性的同时保持低静态电流,仅需一个 2.2μF 小型陶瓷输出电容, 便可实现出色的线路与负载瞬态响应性能。GM1211 稳压器输出噪声为 3μVRMS,与 5V 及以下的固定选项输出电压无关。
GM1211 提供 16 种固定输出电压选项。现有库存提供下列 电压版本:1.2V(可调节)、1.5V、1.8V、2.5V、3.0V,3.3V .3.6V和 5.0V。
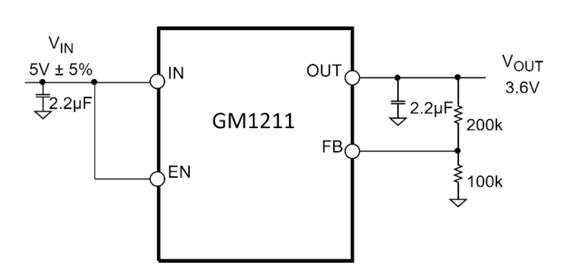
每个固定输出电压都可以通过外部反馈分压器在初始设定 点以上调整。这使 GM1211 可提供 1V 或 1.2V 至 VIN − VDO 的输出电压且具有高 PSRR 和低噪声。