产品特性
超低 EMI 架构和扩频调频 快速最小导通时间:45ns
在高频下实现高效率 在所有条件下均可提供低压差:200mV (1A 负载)
在 2MHz 时达 93% 可在过载情况下安全承受电感器饱和
宽输入电压范围:3.4V 至 42V 可调及可同步频率范围:200kHz 至 3MHz
4A 和 6A 最大连续电流,7A 峰值瞬态输出 输出软起动和跟踪
4µA 超低静态电流的低功耗工作模式 小外形 14 引脚 3.5mm x 4mm QFN 封装
符合汽车应用的 AEC-Q100 标准和 CISPR25 Class 5 标准 结温:-55℃ 至 150℃
产品应用
汽车和工业电源
通用降压
GSM电源
产品详情
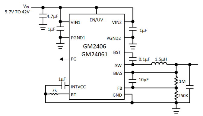
GM2406 降压稳压器采用 低 EMI 架构,专为最大限度 地降低 EMI/EMC 辐射并在高达 3MHz 的频率下提供高效率 而设计。其单片式结构采用 3.5mm x 4mm QFN 封装进行组 装,集成了电源开关和所有必要的电路,因而造就了一款 PCB 面积极小的解决方案。4µA 的超低静态电流 (当输出处 于全面调节状态时)可实现那些要求在非常小负载电流条件下 获得极高效率的应用。在任何负载下 (从零电流至满电流) 皆 可保持出色的瞬态响应,而且输出电压纹波低于 10mVP-P。
GM2406 可在高频条件下实现高 VIN 至低 VOUT 转 换,并具有 45ns 的快速最小顶端开关导通时间。器件运作在过载情况下是安全的,即使采用了一个饱和电感器也不例外。
基本功能内置于器件之中并且简单易用:一个漏极开 路 PG 引脚负责在输出处于调节范围内时发出指示信号。 GM2406 工作于低功耗模式而 GM2406-1 则工作于强制连续模式。准确的使能门限可采用 EN 引脚设定,而一个位于 RT 引脚的电阻器则负责设置开关频率。
应用指南
基于 GM2406、24061的负压输出BUCK-BOOST.pdf
订购指南