产品特性
输出电流:1A 100%占空比
开关频率:6.5-10MHz 逻辑使能输入
可选择PFM轻载工作 软启动
静态电流18uA 输入欠压锁定
峰值效率 :95% 过载电流保护
输入电压范围:2.3V至5.5V 热关断
固定输出电压:1.2V至3.3V 主动输出放电
快速负载瞬态响应 符合欧盟RoHS标准,无铅
产品应用
光学模块
手机
平板电脑
无线数据卡
嵌入式电源
可穿戴设备
物联网
安全和监视设备
产品详情
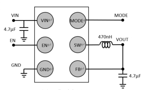
GM2501是一款微小尺寸高效的高频DC-DC稳压器 (µPOL)。开关频率从6.5MHz到10MHz,允许使用非 常小型的外部元件。提供1.2V至3.3V之间不同的固 定输出电压,支持从2.3V到5.5V的输入电压。
18µA的低静态电流即使在非常轻的负载下也能实 现高效率。
在轻电流负载下,稳压器将自动进入脉冲频率 调制(PFM)工作模式,以在整个负载电流范围内 实现最佳效率。如果不需要PFM模式,则可以将 MODE引脚设置为HIGH以强制固定频率工作(PWM)。